中国中医眼科杂志 1999年第4期第9卷 实验研究
作者:马 刚 刘 卫 刘进才 黄祥瑞 杨素碧
单位:马刚、刘卫、刘进才:中国人民解放军石家庄医学高等专科学校(石家庄050081);黄祥瑞:中国人民解放军军事医学科学院;杨素碧:白求恩国际和平医院
流行性出血性结膜炎(epidemic haemorrhagic conjunctivitis, EHC)是由肠病毒70型(enterovirus 70,EV70)〔1〕感染而致的一种传染性极 强的眼病,目前治疗此病的方法主要以抗病毒为主,但效果不甚理想,尤其是针对RNA病毒 系列,很难找到特效药物,因此,不能有效地控制疾病的流行。自1989年以来,我们根据中 医理论,研制提取出以柳叶(Liuye,Ly)成分为主的LY液进行洗眼,治疗EHC,收到较好的效 果,为了验证药效,对此进行了实验研究,以提供抑制EV70和治疗EHC的 有效方法。
1 材料和方法
细胞:单层的猴胚肾(MEK)传代细胞,由军事医学科学院中心细胞库提供。生长液1640含10% 小牛血清,维持液1640含2%小牛血清,细胞生长温度37℃。
病毒:肠病毒70型(EV70),毒株名:EHC/J670/71,购自昆明医学生物研究所。实验用病毒均为我实验室用MEK细胞传第二代。
病毒感染及logTCID50/ml 滴定:病毒感染及滴定在25mm×50mm方瓶中单层MEK细胞上进行,以细胞病变(cytopathic effect,CPE)为观察指标,每瓶细胞加不同稀释度病毒液2ml,每个稀释度接种4方瓶细胞,28℃吸附1.5h后弃去病毒 液,加入维持液,33℃孵育 ,逐日观察细胞病变出现情况,滴度按Behrens-Kaerber方法计算,以logTCID50/ml表示。
LY液的提取:250ml容量瓶及滤菌器高压灭菌消毒,取新鲜柳叶50g,100℃沸水250ml浸泡30 min后 ,经加工提取制成250ml的LY液,用0.45μm滤膜抽滤后为淡黄色透明液体,装入无菌瓶内 。
药物对细胞的毒性实验:鉴于该药物是水剂,我们采用原液、1/2、1/4 3种浓度,分别加入 细胞方瓶,在28℃不同时间,观察对细胞生长的影响,各种浓度做4方瓶,并且重复3次。
药物抗EV70作用方式的选择:为了确定药物的抗病毒作用,我们采用在病毒感染细胞 的前后和同时3个时期各给药,以阳性和阴性与对照组比较,观察出现细胞病变的情况。
2 结果
2.1 EV70 TCID50/ml滴定
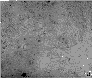
经实验并计算,该毒株logTCID50/ml为7.76,图1a、b、c表示EV70在MEK单层 细胞中生长、产生细胞病变情况。
2.2 LY液对MEK细胞的毒性
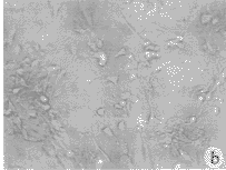
MEK细胞在3种不同浓度药物作用下,不同时间观察的细胞生长情况。结果表明:原药浓度在 细胞中作用60min内,细胞无明显损伤(图2a、b、c)
 
图1 a 示 正常MEK细胞 b、c 分别示接种10-5TCID50EV70 48h、72h后细胞病变情况 ×160
图2 a 示正常对照细胞 b、c 为原药浓度作用30min、60min后对MEK细胞生长的情况 ×160
2.3 LY液的抗EV70作用
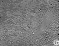
2.3.1 不同给药方式LY液的抗病毒作用: 在感染的同时用药,显示了对EV70 的明显抑制作用,与对照组比较,用药组出现细胞病变的时间后延(当接种病毒 量为100 TCID50/ml时,细胞病变出现延时12~24h),细 胞病变程度减弱,细胞存活率提高(图3a、b),通过活细胞计数发现,当无药对照组100%细 胞出现细胞病变时,药物组产生细胞病变的细胞不到30%。
 
图3 原药液加EV70,10-5TCID50在方瓶内作用1h后,加入到细胞吸附1.5h ,换维持液33℃孵育52h的结果,a为加药组,b为无药对照 ×160
2.3.2 药物抗病毒作用效果观察:固定原药浓度,观察在不同浓度病毒下药物的抑制作用。结果表明,病毒稀释度愈高,药物的抑制效果愈强,其细胞病变程度弱,时间后延,活细胞百分率增大。
2.3.3 药物有效期试验:对药物在提取后3天内、7天内(存放4℃冰箱)和冻存-60℃两周内的保存期进行了抗病毒作用观察。结果表明,3天内的药物显示较好的抑制病毒作用,-60℃保存的药物有一定效果,但不如3天内的,存放7天的药物效果较差。
3 讨论
干扰病毒与细胞膜结合,阻止病毒吸附、穿透脱壳的药剂是寻找和设计抗病毒药物的一种途 径〔2,3〕。本实验中,当病毒感染细胞的同时加药,无论药物是否预先在试管内与 病毒作用,均表现良好的抑制效果,表明药物不是作用于细胞膜上的受体,而可能是药物中的某一成分与病毒壳体蛋白上的特异部位结合,阻止或延后了病毒穿入细胞, 这同文献〔4,5〕报道的一种多聚阴离子化合物或一些带负电的多糖等干扰病毒附着细胞相 类似。
同时还发现,当固定药物浓度时,随着病毒感染剂量的减小,药物的抑制作用愈强,细胞病变出现时间明显后延,且病毒滴度可降低1个logTCID50/ml,这也证实该药物是作用于病毒而不是作用于细胞膜上的受体。在临床应用时,机体还可调动和加强自身的免疫调节系统清除病毒,作用会更明显〔6,7〕。该药物的稳定性实验结果与临床应用结 果一致。鉴于该药物为外用洗剂,因此,在对其抗病毒作用效果上,仅做了原液至4倍稀释浓度的实验,对其化疗指数还应进行更多研究。
参考文献
1 Melnick J L,Tagaya I,Von Magnus H.Enteroviruses 69,70 and 71.Interviro
logy,1974,4:369
2 Ishitsuka H,Ninomiya Y,Suhara Y.Molecular basis of drug resistance to new
antirhinovirus agents.J Antimicro Chemother,1986,18 suppl B:11
3 De Clercq E.Chemotherapeutic approaches to the treatment of the AIDS.J Med
Chem,1986,29:1561
4 Larsson A,Oberg B,Alenius S,et al.9-(3,4-Dihydroxybuty)guanine,a new i nhibitor of
herpesvirus multiplication.Antimicrob Agents Chemother,1983,23:664
5 De clercq E,Walker R T.Synthesis and antiviral properties of 5-vinylp yrimidine
nucleoside analogs.Pharmac Ther,1984,26:1
6 马 刚,刘 卫,段绪堂,等.柳叶Ⅰ号治疗急性出血性结膜炎61例.人民军医 ,1996,9:42
7 马 刚,刘 卫,杨素碧,等.柳叶液对流行性出血性结膜炎的作用观察.中国中医眼科杂
志,1997,7(4):248
收稿:1999-03-15;修回:1999-05-20 |