精彩推荐:青光眼 白内障 近视 远视 散光 斜视弱视 角膜溃疡 角膜炎 沙眼 眼外伤 更多疾病
大众频道
专业频道
时尚频道
互动频道
疾 病 | 保 健 | 爱眼动态 | 名医名院
知 识 | 美 食 | 自检自测 | 爱眼纪事
资 讯 | 临 床 | 学 术 | 文 献
图 谱 | 医 患 | 继 教 | 家 园
五官之美 | 整 形 | 美 容
眼镜一族 | 妆 容 | 图 库
眼科在线 | 预留位置
眼科知道 | 在线咨询
  当前位置: 中华眼科在线 >> 医学频道 >> 临床医学 >> 经验交流 切换到繁體中文 用户登录 新用户注册
切除视网膜下新生血管膜治疗年龄相关性黄斑变性

http://www.cnophol.com 2008-11-5 15:07:19 中华眼科在线

   结果

  1.术后视力:术后17只眼(56.7%)视力提高,8只眼(26.7%)视力无变化,视力减退者5只眼(16.7%)。ARMD手术治疗前、后视力比较,见表1。

表1 ARMD患者手术治疗前、后视力比较

视力 ARMD患者例数
术前 术后
20/60 0 2
20/80 0 1
20/100 4 5
20/200 7 9
20/300 1 1
20/400 11 5
20/800 6 7
影动/2尺 1 0
合计 30 30

  2.并发症:1例术后1个月复查时发现视网膜脱离,经再次30%SF6填充玻璃体腔,间接检眼镜下氩激光裂孔封闭及保持俯卧位后视网膜复位。术后3个月行FFA检查,在视网膜切口处及黄斑区,不同个体呈大小不同的点或片状荧光窗。3个月随访时,2例出现NVM复发。18个月随访时,1例出现NVM复发。对NVM复发的患者未再予治疗。术后6个月,3例患者出现以视网膜切开口为中心的视网膜皱褶。

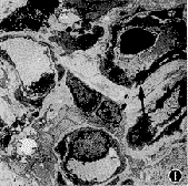
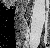
  3.透射电镜观察:黄斑下NVM主要由新生毛细血管组成。管壁由血管内皮细胞和周细胞构成,管壁外可见不完整的类似基底膜的成分,管腔内除血浆成分外,偶见白细胞(图1)。在病理切片中可见尚未形成血管腔的内皮细胞和周细胞(图2)。此外,也偶见RPE细胞(图 3)。血管间质充满丝状的血浆沉积物(图4)。

图1 透射电镜对NVM的观察显示,其主要成分为新生血管(箭头)。管壁由血管内皮细胞和周细胞构成,管壁外可见不完整的类似基底膜成分。管腔内除血浆成分外还可见白细胞 ×2 000

图2 在高倍镜下可见尚未形成管腔的新生血管内皮细胞和胞浆内充满细丝样结构的周细胞(箭头) ×8 000

图3 在个别标本中偶见RPE细胞(箭头) ×2 500

图4 高倍镜下观察到的呈细丝样的血浆沉积物(箭头) ×8 000

上一页  [1] [2] [3] 下一页

(来源:互联网)(责编:duzhanhui)

下一条: 没有了
更多关于(眼睛,中华眼科在线,眼科,视网膜,黄斑变性,玻璃体切除)的信息
  热门图文

性感妖艳的周迅个性眼

爱美就不要吝啬

秋水明眸滋润心得

保你成为人气女王的8款
  健康新看点
  健康多视点
  图话健康

Copyright © 2007 中华眼科在线 网站备案序列号: 京ICP备08009675号
本网站由五景药业主办 北京金鼎盛世医学传媒机构负责运营 国家医学教育发展中心提供学术支持
服务电话:010-63330565 服务邮箱: [email protected]