精彩推荐:青光眼 白内障 近视 远视 散光 斜视弱视 角膜溃疡 角膜炎 沙眼 眼外伤 更多疾病
大众频道
专业频道
时尚频道
互动频道
疾 病 | 保 健 | 爱眼动态 | 名医名院
知 识 | 美 食 | 自检自测 | 爱眼纪事
资 讯 | 临 床 | 学 术 | 文 献
图 谱 | 医 患 | 继 教 | 家 园
五官之美 | 整 形 | 美 容
眼镜一族 | 妆 容 | 图 库
眼科在线 | 预留位置
眼科知道 | 在线咨询
  当前位置: 中华眼科在线 >> 医学频道 >> 前沿动态 >> 研究进展 切换到繁體中文 用户登录 新用户注册
甲氨蝶呤预防后发性白内障的实验研究

http://www.cnophol.com 2008-10-16 16:24:23 中华眼科在线

  2 结果

  2.1 临床观察

  所有术眼术后均有不同程度角膜内皮混浊,1周内角膜恢复透明。眼前节及眼底无明显异常。晶体后囊混浊分级[1]如下:0级:后囊无混浊;Ⅰ级:后囊轻度混浊,眼底可见;Ⅱ级:后囊中度混浊,眼底部分可见;Ⅲ级:后囊重度混浊,眼底完全不见。术后3个月两组晶体后囊混浊程度差异有显著性意义(x2检验,P<0.05),见附表。另外,在三种不同浓度的用药组中,晶体后囊混浊程度无明显差异。

附表 术后3个月晶体后囊混浊情况(眼数)

晶体后囊

  混浊分级

用药组 对照组
200μg/ml 400μg/ml 800μg/ml
0

  Ⅰ

  Ⅱ

  Ⅲ

7

  1

  0

  0

7

  1

  0

  0

8

  0

  0

  0

12

  8

  4

  0

  2.2 光镜观察  对照组:晶体后囊前表面可见单层排列的晶体上皮细胞(图1),形态与前囊下上皮细胞一致。用药组:各浓度组晶体后囊前表面无上皮细胞或只有散在的晶体上皮细胞(图2)。两组角膜内皮、虹膜睫状体、小梁、巩膜、脉络膜和视网膜组织未见明显异常。

图1 对照组术后3个月,晶体后囊膜可见单层排列的晶体上皮细胞HE×200

图2 用药组术后3个月,晶体后囊膜无明显晶体上皮细胞HE×200

  2.3 电镜观察

  2.3.1 扫描电镜 对照组:晶体后囊表面较粗糙,可见较多B淋巴细胞及巨噬细胞附着(图3)。用药组:各浓度组晶体后囊表面较光滑,少见淋巴细胞及巨噬细胞(图4)。

图3 对照组术后3个月,晶体后囊表面粗糙,可见B淋巴细胞和巨噬细胞附着EYM×5800

图4 用药组术后3个月,晶体后囊表面较光滑,未见B淋巴细胞和巨噬细胞ETM×5800

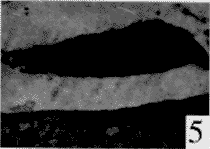
  2.3.2 透射电镜 对照组:晶体后囊前可见单层排列的晶体上皮细胞,超微结构无异常改变(图5)。用药组:各浓度组晶体后囊无明显晶体上皮细胞(图6)。

图5 对照组术后3个月,晶体后囊膜可见单层排列的晶体上皮细胞SEM×7000

图6 用药组术后3个月,晶体后囊膜无明显晶体上皮细胞SEM×7000

上一页  [1] [2] [3] 下一页

(来源:眼科 1999年第3期第8卷)(责编:duzhanhui)

下一条: 没有了
更多关于(眼科,中华眼科在线,眼睛,白内障)的信息
  热门图文

容祖儿最抢眼的橘色眼

秋日时尚烟熏妆

6个小诀窍让双眼更勾魂

整形美容手术成功的四
  健康新看点
  健康多视点
  图话健康

Copyright © 2007 中华眼科在线 网站备案序列号: 京ICP备08009675号
本网站由五景药业主办 北京金鼎盛世医学传媒机构负责运营 国家医学教育发展中心提供学术支持
服务电话:010-63330565 服务邮箱: [email protected]