精彩推荐:青光眼 白内障 近视 远视 散光 斜视弱视 角膜溃疡 角膜炎 沙眼 眼外伤 更多疾病
大众频道
专业频道
时尚频道
互动频道
疾 病 | 保 健 | 爱眼动态 | 名医名院
知 识 | 美 食 | 自检自测 | 爱眼纪事
资 讯 | 临 床 | 学 术 | 文 献
图 谱 | 医 患 | 继 教 | 家 园
五官之美 | 整 形 | 美 容
眼镜一族 | 妆 容 | 图 库
眼科在线 | 预留位置
眼科知道 | 在线咨询
  当前位置: 中华眼科在线 >> 医学频道 >> 临床药学 >> 临床研究 切换到繁體中文 用户登录 新用户注册
鼠视网膜感光细胞移植术后超微结构观察

http://www.cnophol.com 2008-10-13 14:04:03 中华眼科在线

  讨论

  我们利用异种异体纯视细胞层对位移植,将视细胞层定向移植到患有遗传性视锥、杆层萎缩的RCS鼠视网膜下,以便了解视网膜移植细胞层及受体神经元神经突触结构与其间的关系。对于移植视网膜的结构特点,包括超微结构,各文献报道中有不同的描述。因为移植视网膜的结构,除与其所处的位置有关外,部分还与移植物本身的结构有关。例如,将胚胎视网膜神经层全层移入视网膜下腔[7],神经上皮可在原处存活,但大多数呈团样生长(玫瑰花环)或示不典型的视网膜结构,不与其上、下神经元构成关系。有人将供体视细胞移植到脑或其他神经组织内[2],观察神经突触的生长状况。尽管各实验设计不同,但其目的均为了解视觉通路的结构重建及功能。90年代以后,人们对神经性复明的可能性进行了大量的研究,视网膜移植技术亦倍受重视,且被许多作者用不同的方式重复,但终因条件的限制,其临床应用尚有一定困难。

  本实验旨在观察视网膜移植后视路中神经突触的结构变化,以更进一步探讨视网膜神经介质的定位及功能,因此着重于观察视网膜外网层的结构变化及视细胞传出突触与双极细胞突触间的重新连接。由于移植片在移植过程中有细胞损失,因而移植的视网膜外颗粒层及外网层均较原供体鼠视网膜外网层为薄,当然也不能排除移植后部分细胞发生变性死亡的可能性。在移植部位视锥细胞较少,可能与所选实验动物的种属特异性有关。

  在新生的外网层中,可见较完整的化学性突触及由视细胞轴突与水平细胞、双极细胞树突间形成的突触连接。在供体纯视细胞层的制作过程中,为了使之仅提供视锥、杆体,我们有意将此层削切得较薄,这样尽管移植的细胞较少,但却避免了同时移植供体的外网层,使确认新生的突触连接更为可靠。

  利用纯视细胞定向移植,可使移植的视细胞与周围组织建立相对正常的解剖学关系。其间的神经传导行为,需更进一步的实验来证明。

图1移植视细胞核较内核层者为小,较不规则纵向排列。移植视细胞与内颗粒层间存在有结构组织,即外网层。=1 示移植细胞核, =( 示外网层, 71 示内核层(下同) 复合甲苯胺蓝染色×100

图2 电镜下观察×2700

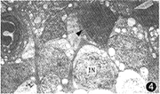
图3 视细胞外节(OC)与视网膜色素上皮(RPE)间形成联系 ×1400

图4 同龄对照 6:>鼠视网膜外颗粒层仅存部分视细胞残体(箭头)×2700

图5视细胞间及其与双极细胞、水平细胞间突触连接(箭头)丰富×1400

图6移植视细胞轴突及与之形成突触连接的次级神经元突触内均可见多量突触小泡,在突触小带(箭头)周围,突触小泡密集×10000

  参考文献

  1,Kaplan HJ, tezel TH, Berger AS, et al. Human photoreceptor transplantation in retinitis pigmentosa: a safety study. Arch Ophthalmol, 1997,115:1168-1172.

  2,Horsburgh GM, Lund RD, Hankin MH. Retinal transplants in congenitally blind mice:patterns of projection and synaptic connectivity. J Comp Neurol,1993, 327:323-340.

  3,Bergstrom A. Embryonic rabbit retinal transplants survie and differentiate in the choroid. Exp Eye Res, 1994, 59:281-289.

  4,Silverman MS, Hughes SE, Valentino TL, et al. Photoreceptor transplantation: anatomic, electrophysiologic, and behavioral evidence for the functional reconstruction of retinal lacking photoreceptors. Exp Neurol,1992,115:87-94.

  5,王薇,马美云,白芳,等.鼠光感受器细胞层移植的方法及观察.中华眼科杂志,1999,35:443-445.

  6,马美芸,王薇,陈跃国,等.准分子激光切削视网膜板层移植术.中华眼底病杂志,1998,14:209-211.

  7,Adolph AR, Zucker CL, Ehinger B, et al. Function and structure in retinal transplants. J Neural Transplant Plast, 1994, 5:147-161.

上一页  [1] [2] 

(来源:中华眼科杂志2000年第36卷第5期)(责编:duzhanhui)

下一条: 没有了
更多关于(眼睛,中华眼科在线,眼科,视网膜)的信息
  热门图文

6个小诀窍让双眼更勾魂

整形美容手术成功的四

宋慧乔三款完美异彩眼

一款超人气日本时尚彩
  健康新看点
  健康多视点
  图话健康

Copyright © 2007 中华眼科在线 网站备案序列号: 京ICP备08009675号
本网站由五景药业主办 北京金鼎盛世医学传媒机构负责运营 国家医学教育发展中心提供学术支持
服务电话:010-63330565 服务邮箱: [email protected]