|
三、讨论
1.原代细胞培养:我们采用的方法能够充分利用供体材料,获得的细胞纯,不易被其他细胞污染, 但操作时应注意动作要轻、快,尽量缩短操作时间,减少细菌污染的机会。揭取角膜Descemet膜后,应在Hank液中漂洗2次,同时注意更换镊子夹持的部位,避免基质细胞的污染。消化液应分装保存,避免使用时反复复温解冻,使消化液的效价降低。在酶化时,避免酶化时间过长,致使细胞破坏死亡。
2.传代角膜内皮细胞培养:传代时间一般选择细胞接种后的2~3周,此时细胞生长状态良好。传代后的细胞贴壁增殖速度加快,代谢也明显旺盛,应密切注意营养液的pH值变化,及时更换培养液,避免细胞中毒死亡。传代的频率或间隔与接种细胞数量、细胞生物性状以及营养液的性质有关。接种的细胞数量大、连续细胞系及培养液中血清含量多时,细胞贴壁、生长的时间快,传代间隔时间短;反之,细胞贴壁、生长时间慢,传代间隔时间长。
3.混合培养的角膜内皮细胞:与基质细胞混合培养的角膜内皮细胞,其增殖速度有明显增加,这与角膜基质中的成纤维细胞能提供内皮细胞贴附和分化的物理底物(胶原和纤维素等)或分泌一种成纤维细胞因子,能特别地促进角膜内皮细胞DNA的起始合成和细胞增生。对这种混合培养可经过传代培养,以期解决纯化。
总之,我们对少量角膜内皮细胞进行传代培养,取得了初步成功, 这为利用自体角膜内皮细胞进行培养、移植,提供了新的研究线索。

图1,2 轻划开Descemdt膜,基边缘上郑剥离×20
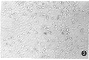
图3 角膜内皮细胞原代培养第8天×100
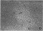
图4 角膜内皮细胞传代培养第4代第50天×100 上一页 [1] [2] |